Особенности отказоустойчивости
FDDI характеризуется рядом особенностей отказоустойчивости. Основной особенностью отказоустойчивости является наличие двойной кольцевой сети. Если какая-нибудь станция, подключенная к двойной кольцевой сети, отказывает, или у нее отключается питание, или если поврежден кабель, то двойная кольцевая сеть автоматически "свертывается" ("подгибается" внутрь) в одно кольцо, как показано на Рис.2.9
"Конфигурация восстановления кольца при отказе станции". При отказе Станции 3, изображенной на рисунке, двойное кольцо автоматически свертывается в Станциях 2 и 4, образуя одинарное кольцо. Хотя Станция 3 больше не подключена к кольцу, сеть продолжает работать для оставшихся станций.

Рис. 2.9. Station Failure, Ring Recovery Configuration
На Рис. 2.10 "Конфигурация восстановления сети при отказе кабеля" показано, как FDDI компенсирует отказ в проводке. Станции 3 и 4 свертывают кольцо внутрь себя при отказе проводки между этими станциями.

Рис. 2.10. Failed Wiring, Ring Recovery Configuration
По мере увеличения размеров сетей FDDI растет вероятность увеличения числа отказов кольцевой сети. Если имеют место два отказа кольцевой сети, то кольцо будет свернуто в обоих случаях, что приводит к фактическому сегментированию кольца на два отдельных кольца, которые не могут сообщаться друг с другом. Последующие отказы вызовут дополнительную сегментацию кольца.
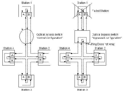
Для предотвращения сегментации кольца могут быть использованы оптические шунтирующие переключатели, которые исключают отказавшие станции из кольца. На Рис. 2.11 показано "Использование оптического шунтирующего переключателя".

Рис. 2.11. Use of Optical Bypass Switch
Устройства, критичные к отказам, такие как роутеры или главные универсальные вычислительные машины, могут использовать другую технику повышения отказоустойчивости, называемую "двойным подключением" (dual homing), для того, чтобы обеспечить дополнительную избыточность и повысить гарантию работоспособности. При двойном подключении критичное к отказам устройство подсоединяется к двум концентраторам. Одна пара каналов концентраторов считается активным каналом; другую пару называют пассивным каналом. Пассивный канал находится в режиме поддержки до тех пор, пока не будет установлено, что основной канал (или концентратор, к которому он подключен) отказал. Если это происходит,то пассивный канал автоматически активируется.